Быстрый нагрев парильного помещения
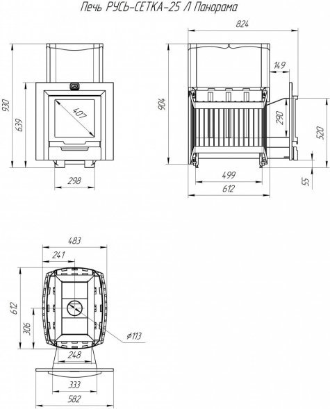
Печи «РУСЬ-СЕТКА» разработаны на основе собственного опыта производителя и, самое главное, с учетом рекомендаций и пожеланий многочисленных знатоков и ценителей русской бани. Конструкция печи-каменки представляет собой вертикальную топку сделанную из жаростойкой нержавеющей стали с содержанием хрома не менее 13 % закрытую сеткой с боков и кожух-конвектором спереди и сзади, обеспечивающие высокую динамику нагрева парильного помещения.
Мягкий микроклимат
Кожух-конвектор экранирует жесткое инфракрасное излучение, исходящее от раскаленных стенок топки, что создает «мягкое» тепло в парилке.
Стабильная температура
Вместительная вентилируемая каменка является мощным парогенератором. Большое количество качественно нагретых камней, обеспечивает стабильность температуры в парилке. Печь снабжена удобным ящиком зольника, который также является регулятором интенсивности горения. Колосник из литейного чугуна, являющийся элементом конструкции, обеспечивает равномерное устойчивое горение по всей длине топки.
Безопасность
Печь комплектуется стальной дверцей с функцией самоохлаждения. На печи «РУСЬ-СЕТКА» всех модификаций может быть установлен бак для нагрева воды «самоварного» типа или универсальный регистр-теплообменник для дистанционного нагрева воды, изготовленные из нержавеющей стали.*
Особенности:
- Наличие открытой каменки и кожуха-сетки.
- В 1,5 раза увеличена масса камней для закладки (по сравнению с печами «Русь»).
- Меньше жесткого инфракрасного излучения.
- Удобный монтаж дымохода.
- Открытая и закрытая каменки для регулирования микроклимата.
* Баки и регистры приобретается отдельно от печи.
ВНИМАНИЕ! Элементы дымохода и камни не входят в комплект печи и приобретаются отдельно.
