тальная каминная топка АСТОН ВЕРТИКАЛЬ рассчитана на прогрев помещений объёмом до 210 м³.
Топка ориентирована вертикально, что делает её более компактной по занимаемой площади. Оптимально смотрится в интерьере, дизайн которого предполагает движение вверх.
Топочная камера изготовлена из особо прочной котловой стали, рассчитана на пристенное размещение. Топка изнутри облицована вермикулитом, что обеспечивает максимальную теплоёмкость печи. Вермикулитовая облицовка защищает стены от прогорания и избыточного нагрева.
Топка оборудована системой вторичного дожига дымовых газов, которая позволяет получить максимум энергии при горении дров. Каналы вторичного дожига расположены на задней стенке топочной камеры непосредственно в вермикулитовой облицовке. Управление вторичным дожигом вынесено на переднюю панель топки
Трубы, размещённые над топочной камерой в области дымосборника, увеличивают движение нагретого воздуха и усиливают конвекционные возможности каминной топки АСТОН ВЕРТИКАЛЬ.
Пламя и дымовые газы, догорая, огибают пламегаситель в верхней части топочной камеры. Пламегаситель изготовлен из вермикулита и предназначен для полного сжигания дымовых газов в дымосборнике каминной топки.
Дверь топки оснащена панорамным термостойким стеклом, позволяющим наблюдать за горением огня и контролировать наполнение топки. Керамическое стекло выдерживает температуру до 650 градусов и устойчиво к резким перепадам температур. Вертикальная ориентация двери и стекла делает внешний вид установленной топки изящным и очень интересным.
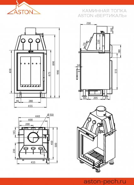
Тяга регулируется за счёт шибера, встроенного в патрубок дымохода диаметром 150 мм. Ручка управления шибером размещается на передней поверхности топки, справа вверху.
Описание
Отзывы
Характеристики
Вес
80 кг
Система чистое стекло
Да
Страна производитель
Россия
Производитель
Aston
Мощность [кВт]
10
Ширина, мм
455
Глубина, мм
500
Высота, мм
990
Материал топки
Сталь
Шибер
Есть
Диаметр дымохода, мм
150
Открывание двери
Боковое
Форма стекла
Прямое
Подъемный механизм
Нет
Водяной контур
Нет
Режимы горения
Интенсивный и длительный
Отзывов ещё нет — ваш может стать первым.
Все отзывы 0





























